
城市自行车智能锁车栏停车系统,属于公共自行车服务行业,运用于城市共享自行车综合管理、治理方面,是城市绿色出行和慢行交通体系的重要组成部分。
共享单车在方便市民出行的同时,乱停乱放带来的城市管理问题也不断出现,城市自行车智能锁车栏停车系统能有效解决目前存在的共享自行车乱停乱放的问题和“还车难”等现象,并且可以实现多种共享自行车的统一有序管理。
电子智能锁是城市自行车智能锁车栏停车系统的重要组成部分,不仅可以定位防盗,也是获取大数据的重要来源,它是一种物联网应用技术,也是典型的“物联网+互联网”应用,通过智能感知、识别技术与普及计算等通信感知技术,在用户与车之间进行信息交换和通信。
城市自行车智能锁车栏停车系统中,车辆停放时状态的检测,主要是通过霍尔开关检测到车辆停放后,产生电压波形的跳变,并能够将跳边的波形传输至MCU,MCU通过比对跳变的波形信号,检测车辆的磁钢信号,来判断此车辆是否与当前锁车桩匹配,实现能够对车辆进行识别,防止车辆存放混乱。
由此可见,霍尔传感器在城市自行车智能锁车栏中起到至关重要的作用,因智能锁车栏需要户外作业,且应用环境相对而言是比较恶劣的,因此推荐使用中科阿尔法AH452霍尔开关。
AH452是一款耐高压高灵敏度全极霍尔开关芯片,采用双极半导体(Bipolar)工艺设计,该芯片内部由电压稳压单元、霍尔电压发生器、差分放大电路、温度补偿电路、集电极开路输出电路组成。工作形式:输入磁感应强度,输出为数字电压信号。提供TO92S直插封装,贴片SOT23-3L封装,且封装都符合RoHS标准。

AH452灵敏度高,全极性方便磁铁安装,同时具有优越的抗应力能力,供电范围广,3.5V~40 V工作电压均可使用,非常适合锁车桩的应用。工作形式为输入磁感应强度,输出为数字电压信号。AH452芯片特征如下:
(1)微型结构
(2)集电极开路输出
(3)ESD性能可达:±5kV
(4)高灵敏度:±50/±30Gs(典型值)
(5)宽电压范围:3.5V~40V
(6)工作温度范围:-40℃~125℃
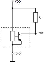
典型应用电路见下图中:应用电路1,其中RL=4.7kΩ,可应用与大多数电路。应用电路2,其中RV=100Ω,CP=4.7nF,RL=4.7kΩ,CL=1nF,应用于供电线上具有干扰或辐射干扰的电路,建议在电路中串联电阻RV和两个电容CP、CL,且将电阻和电容这些元器件尽量放置在接近芯片处。

典型应用电路例1 典型应用电路例2
综上所述,使用霍尔开关的锁车桩装置,能够通过霍尔感应磁钢的方式,感应车辆进入锁车桩内,自动控制锁车桩上锁,极大地提高了系统的安全性和可靠性,除此之外,还能够对车辆进行可靠识别,防止车辆多存漏存,还能保持低功耗,节能减排。